【特 徴】
単動S(スプリング戻り)タイプ。
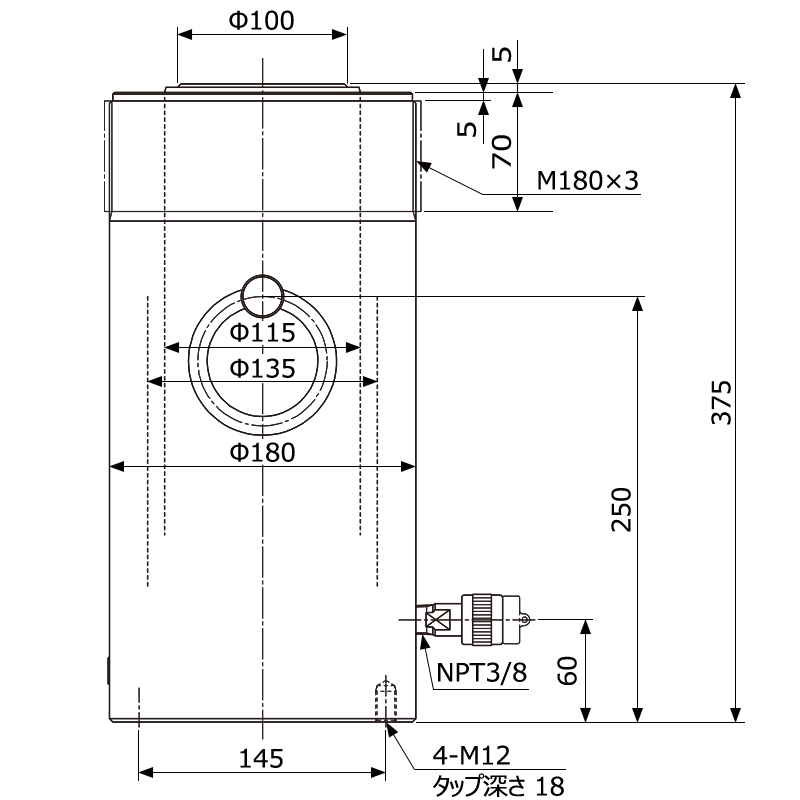
最低高さを極力抑えました。
ジャッキ底部に取付用のネジを設けています。
耐圧試験は揚力の100%、横荷重は揚力の1/20です。
最低高さを極力抑えました。
ジャッキ底部に取付用のネジを設けています。
耐圧試験は揚力の100%、横荷重は揚力の1/20です。
用途・注意事項
車輛運搬・造船・土木建設
一般産業機械関係の作業現場など。
●必要な揚力の20~30%アップのジャッキを
ご使用ください。
●必要なストロークより余裕をもったジャッキを
ご使用ください。
●ジャッキの荷重受全面で荷重を受け、斜め荷重や
衝撃荷重がかからないように注意してください。
一般産業機械関係の作業現場など。
●必要な揚力の20~30%アップのジャッキを
ご使用ください。
●必要なストロークより余裕をもったジャッキを
ご使用ください。
●ジャッキの荷重受全面で荷重を受け、斜め荷重や
衝撃荷重がかからないように注意してください。


